
- Krycie hlavy: 2ks servo-moto pohon
- Napätie: 220V, 50/60HZ;
- Výkon: 3,0 kW
- Tlak vzduchu: 0,5–0,7 MPa
- Ampér: 8,5A
- Rýchlosť: 40-45/min (prispôsobené podľa tvaru a veľkosti pohárov)
- Vhodný priemer produktu: φ28-φ125mm veká(Neštandardné prispôsobené)
- Rýchlosť priechodu uzlín: ≥99,5 % (v závislosti od chyby veka a fľaše)
- Veľkosť stroja: 3300 * 1150 mm * 1908 mm
- Hmotnosť: 450 kg
Pred zapnutím stroja. Prečítajte si prosím pozorne tento návod kvôli bezpečnosti a správnemu používaniu stroja. Aby sa predišlo nehodám personálu a znížila sa frekvencia poškodenia stroja.
V prípade korozívnych produktov dávajte pozor, aby sa korozívne predmety nedotkli alebo nestriekali na samotný stroj a personál.
- Vyhnite sa používaniu stroja na miestach vystavených vibráciám alebo kolíziám.
- Keď stroj beží, telo personálu sa nemôže dotýkať pohyblivých častí.
- Stroj by sa mal vyhýbať nadmerne vlhkým miestam. A vložte ho do zdroja napájania, uzemňovací vodič správne uzemnený, aby ste predišli bezpečnostnej nehode.
- Obsluha by mala udržiavať normálny fyzický a duševný stav. Ak požívate alkohol, prášky na spanie alebo iné drogy, ktoré sú škodlivé pre váš duševný stav, prestaňte stroj obsluhovať.
- Obsluha musí nosiť vhodný odev, aby sa predišlo zraneniu spôsobenému zasahovaním odevu do rolujúcich častí a nesmie na stroj klásť žiadne cudzie predmety.
- Ak sa počas používania vyskytne hluk alebo iné abnormality, okamžite zastavte a skontrolujte. Netechnickí technici, prosím, svojvoľne neprenášajte časti stroja.
- Pravidelná (raz/týždenne) údržba a starostlivosť, pri čistení stroja sa vyhýbajte striekaniu vody alebo akejkoľvek tekutiny a elektronickým ovládacím skrinkám alebo iným elektrickým komponentom.
- Pracujte podľa bežných prevádzkových postupov a udržujte povrch stroja čistý a uprataný.
Uzavierací stroj sa používa na všetky druhy kozmetiky, medicíny, veterinárnej medicíny, pesticídov, mazacích olejov a iných priemyselných oblastí v procese balenia.





Princíp a vlastnosti stroja na uzatváranie pohárov:
- Elektrické automatické ovládanie, je stabilné;
- S polohovacím zariadením uzáveru, štandardným uzamknutým krytom je prevádzka pohodlná;
- Zámok pokrýva široký rozsah, môže točiť rôzne tvary špecifikácií uzáveru;
- Rýchlosť uzáveru, väznica rotácie, môže súčasne podľa potreby upraviť aj tesnosť prevíjania.


Základné parametre stroja na uzatváranie kozmetických téglikov:

1. Krycie hlavy: 2ks servo-moto pohon
2. Napätie: 220V, 50/60HZ;
3. Výkon: 3,0Kw
4. Tlak vzduchu: 0,5--0,7 MPa
5. Ampér: 8,5A
6. Rýchlosť: 40-45/min (prispôsobené podľa tvarov a veľkostí pohárov)
7. Vhodný priemer produktu: φ28-φ125mm veká(Neštandardné prispôsobené)
8. Rýchlosť priechodu uzlín: ≥99,5 % (v závislosti od chyby veka a fľaše)
9. Veľkosť stroja: 3300*1150mm*1908mm
10. Hmotnosť: 450kg
Popis hostiteľskej časti


Vypínač: Ovládanie napájania zapnuté---vypnuté.
Indikátor napájania: zapnuté – zelené svetlo svieti, napájanie vypnuté – zelené svetlo vypnuté.
Núdzové zastavenie: Používa sa na okamžité zastavenie stroja alebo na resetovanie funkcie v prípade núdze alebo poruchy.
1. Spustite fotoelektrické: Stroj je v prevádzke, keď fotoelektrická detekcia zistí, že je tam fľaša a má veko, otočný tanier môže začať pracovať. Ak nie je detegovaná jedna z dvoch fotoelektrík, otočný tanier sa neotáča.
2. Pôvodný fotoelektrický: Slúži na ovládanie krokového motora na pohon polohovania otočného taniera, aby sa fľaša dala hladko vložiť do krytu.
3. Fotoelektrina uzáveru: Skontrolujte, či je kryt na svojom mieste, a fotoelektricky zistite, či je k dispozícii otočný tanier krytu, ktorý sa má otáčať.
4. Fotoelektrika krytu: Ovládanie spustenia a zastavenia stroja horného krytu, keď je kryt poskytovaný strojom na horný kryt triedený do polohy zistenej fotoelektrikou, fotoelektrina je vždy jasná, stroj na kryt sa zastaví pre kryt a je implementovaný inteligentný kryt .
5. Fotoelektrina krytu zámku: Keď fľaša s vrchnákom prejde, je detekovaná fotoelektrická detekcia a kryt zámku sa uvedie do činnosti podľa nastaveného času oneskorenia (špecifické parametre sa upravia podľa rýchlosti dopravného pásu pri nastavovaní stroja).
6. Systém krytu zámku: Fľaša s vrchnákom je rovnaká, oneskorenie fotoelektrického štartu, oneskorenie na fľašu s uzáverom valca, uzáver uzáveru sa zníži, kryt rukoväte - uzáver skrutky - uvoľnenie chápadla - uzáver uzáveru sa zdvihne - fľaša s uzáverom sa uvoľní, a proces uzáveru uzáveru je dokončený. V kryte zámku, keď je kryt zámku 1# v kryte zámku, vstúpi ďalšia fľaša. V tomto okamihu sa valec fľaše so svorkou 2# pohne a kryt zámku 2# sa aktivuje, aby sa kryt uzamkol. (Keď uzáver, ktorý bol uzamknutý hlavou zámku 2#, prejde cez fľašu so svorkou 1#, neopakujte postup kryt zámku.

Popis rozhrania človek-stroj

Bootovacia stránka
3.1 Úvodná stránka má anglický, čínsky výber operácií, ak zvolíte čínske tlačidlo, vstúpte do nasledujúceho rozhrania:

Druhé rozhranie
Zastaviť: Spínač štart celého stroja, stlačte toto tlačidlo, stroj beží v automatickom režime, znova stlačte toto tlačidlo, stroj sa zastaví.
Testovacia brána: Otestujte prevádzku stroja.
Rýchlosť gramofónu: Čím vyšší je parameter rýchlosti, tým vyššia je rýchlosť, tým pomalší je parameter rýchlosti.(Existuje však maximálny limit.)。
Oneskorenie gramofónu: Nastavenie času spustenia gramofónu v súlade s efektom plynulého chodu gramofónu.
Oneskorenie obmedzenia: Po točni na určenú stanicu oddialite čakaciu dobu, uzáver valca.
Čas obmedzenia: Čas potrebný na utesnenie valca.
výstup: Dokončite záznam o počte krytov zámku, pohodlný počet výroby. Pre vymazanie stlačte tlačidlo reset.
X1. X3. X14: Skontrolujte, či je fotoelektrické zariadenie v pracovnom stave odrazu, aby ste ľahko videli činnosť stavu stroja,
Parameter obmedzenia: Stlačte tento kláves a vstúpte do nasledujúceho rozhrania:

Rozhranie je stránka parametrov, ktorá sa nastavuje pre každú činnosť hlavy zámku 1 # v systéme krytu zámku servopohonu, rozumné nastavenie parametrov je prospešné pre stabilitu stroja a zlepšenie účinnosti.
Návrat: Stlačením tohto tlačidla sa vrátite do druhého rozhrania.
I/O: Stlačením tohto tlačidla vstúpite do nasledujúceho rozhrania:

Body série X: Je vstupným bodom na zistenie, či je fotoelektrické zariadenie v prevádzkovom stave, ľahko viditeľné fungovanie stroja, jednoduchá údržba.
Body série Y: Je výstupný bod výkonných komponentov normálneho stavu spätnej väzby, môžete tiež manuálne stlačiť ovládacie tlačidlo, aby ste otestovali, či sú výkonné komponenty normálne.
Systém podávača uzáveru: Môže byť stabilný a usporiadaný podľa predpísaného smeru na zakrytie.
Nastavenie sklonu: rozumný uhol možno nastaviť na ovládanie spätného veka nevlieza do snímky.
Regulácia frekvenčného meniča: ovládať rýchlosť krytu.


Údržba zariadenia na uzatváranie pohárov:
1. Udržujte stroj vo vypnutom stave a bez plynu, aby bola zaistená bezpečnosť. Udržujte stroj čistý a uprataný, na stroji nie sú žiadne drobnosti, žiadne drobné predmety, príslušenstvo, skrutky atď.
2. A mazací olej sa pravidelne pridáva do mechanizmu pohyblivej časti, aby sa zabezpečil dobrý prevádzkový stav mechanizmu.
3. Pravidelne vypúšťajte vodu z jednotky vzduchového filtra a pridávajte mazací olej, aby ste zabezpečili správne používanie valca a predĺžili životnosť.
4. Stroj pravidelne kontrolujte a opravujte. Posúďte prevádzkový stav zariadenia zrakom a sluchom, aby ste sa uistili, že stroj funguje dobre.
Poznámka: prosím, používajte a udržiavajte v prísnom súlade s pokynmi, záručná doba je prísne zakázaná otvárať a rozoberať, inak poškodenie spôsobené týmto ako ľudské poškodenie, bez bezplatnej opravy. Tento pokyn sa môže zmeniť bez upozornenia; Ak máte stále nejaké nejasnosti ohľadom prevádzky tohto stroja, kedykoľvek nám zavolajte
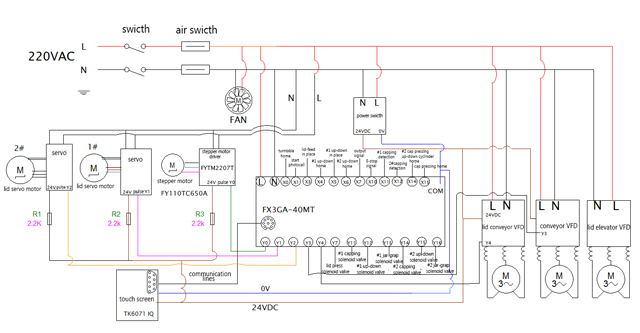
Priložená elektrická schéma:

Hotové zapečatené uzávery ukážu stroj na uzatváranie pohárov:





známky: pre štvorcové čierne poháre, pretože uzávery sú náchylné na poškriabanie, je navrhnutý s vyberacím systémom, ktorý vytiahne uzávery pohárov z podnosov a vloží ich do stanice pripravenej na uzatváranie uzáverov. Podrobný pracovný princíp je znázornený nasledovne: Pracovný proces:
1. Manuálne vloženie uzáverov do zásobníka (15*15 alebo 10*10)

2. Vloženie podnosov do pripravenej zbernej stanice
3. Roboty zbierajúce poháre

4. Umiestnenie fliaš a proces uzatvárania dokončia
5. Výstup z pohárov s uzáverom











