
- Rýchlosť uzatvárania: 15-30 kusov/min
- Menovité napätie: 110V/60Hz (US Standard)
- Výkon stroja: 0,8 kW
- Ampér: 2,2A
- Vonkajší rozmer: 2230*1460*1600 MM (D*Š*V)
- Tlak vzduchu: 0,7 MPa
- Hmotnosť: Približne 300 kg
Upozornenie pred spustením stroja na uzatváranie fliaš
1: Pred zapojením stroja do siete sa uistite, že je vypínač v zatvorenom stave, a potom postupujte podľa pokynov.
2: Ak stroj dlhší čas nebeží, treba ho utrieť kúskom suchej handričky a nesmie sa čistiť žiadnym korozívnym čistiacim prostriedkom.
3: Je prísne zakázané vystrekovať akúkoľvek kvapalinu do elektrickej skrinky stroja, aby sa zabránilo korózii vnútorných elektrických komponentov a spôsobeniu skratu.
4: Skontrolujte podľa baliaceho zoznamu modelov, špecifikácií a množstva zariadení a materiálov, aby ste sa uistili, že spĺňajú požiadavky konštrukčných a produktových noriem a sú sprevádzané osvedčeniami o zhode.
5: Skontrolujte vzhľad zariadenia, aby ste sa uistili, že je bez akýchkoľvek deformácií, poškodenia a korózie, a všetky vretená, ktoré by sa mali flexibilne otáčať bez akéhokoľvek blokovania.
6: Tento stroj pracuje pod jednofázovým striedavým napätím 110 V a plochá 3-nožová zástrčka by mala byť zapojená do elektrickej zásuvky pomocou uzemňovacieho vodiča.
Technické parametre

- Rýchlosť uzatvárania: 15-30 kusov/min
- Menovité napätie: 110V/60Hz (US Standard)
- Výkon stroja: 0,8 kW
- Ampér: 2,2A
- Vonkajší rozmer: 2230*1460*1600 MM (D*Š*V)
- Tlak vzduchu: 0,7 MPa
- Hmotnosť: Približne 300 kg
Podrobnosti o uzatváracom stroji:



Štruktúry Stroja

Popis elektrického oka optického vlákna
Elektrické oko na detekciu fliaš:

Pri prevádzke v automatickom režime je účelom tohto elektrického oka detekovať prichádzajúce fľaše.
Keď je detekovaná prichádzajúca fľaša, "otočný tanier" sa otáča.
Elektrické oko na doručovanie veka

Pri prevádzke v automatickom režime je účelom tohto elektrického oka detekovať prichádzajúce kryty.
Keď sa zistí vstupné veko, zdvihne sa „vyberací mechanizmus“ na odber materiálu.
Elektrické oko na doručovanie veka

Pri prevádzke v automatickom režime: Účelom tohto elektrického oka je detekovať prichádzajúce fľaše.
Keď je detekovaná prichádzajúca fľaša, "mechanizmus uzáveru uzáveru" otočí uzáver uzáveru nadol.
Tlačidlo prepínača a port pre pripojenie
Dotyková obrazovka a núdzové zastavenie

Ovládač vibračnej dosky podávacieho motora a veka

Ovládač vibračnej dosky

Ovládač vibračnej dosky: Úpravou napätia upravte rýchlosť vybíjania.
Vypínač a zásuvky

Ovládač motora

Frekvenčný transformátor: Úpravou tlačidla frekvenčného transformátora upravte rýchlosť motora.
Spôsoby odstraňovania alarmov a problémov:
1. Bolo stlačené núdzové zastavenie. Stlačte núdzové zarážky na kryte stroja a vedľa dotykovej obrazovky.
2. Výstup dosiahne nastavenú hodnotu. Nastavte výstup, stlačením tlačidla Clear vymažete aktuálny výstup.
3. Ak sa čiapky dlhší čas nezistia, skontrolujte. Skontrolujte indukčné vlákno uzáveru fľaše, či je dobre vybavené. Skontrolujte, či sú uzávery na svojom mieste alebo nie.
4. Ak sa fľaše dlhší čas nezistia, skontrolujte. Skontrolujte, či sú fľaše na svojom mieste.
Elektrické nastavenie oka:
Štruktúra zosilňovača

Schéma pre optické vlákno:

1. Zámok z optických vlákien
2. Indikátor prevádzkového stavu
3. Nastavte
4. Kontrolka DSC
5. Digitálny monitor
6. Manuálne tlačidlo
7. Rozšírený ochranný kryt
8. Rozširujúci konektor
9. Prepínač napájania
10. Tlačidlo režimu
11. Volič výstupu
12. Káble
13. Ochrana proti prachu
14. Nastavená hodnota (zelená)
15. Aktuálna hodnota (červenou farbou)
Pracovný proces pre nastavenie optických vlákien
- Keď elektrické oko spadne do medzery, hodnota červeného prúdu je 144.
- Keď elektrické oko dopadne na štítok, červená hodnota prúdu je 4.
- Upravte nastavenú hodnotu, približne 1/2 hodnoty, pri ktorej je elektrické oko na papieri tela (v medzere medzi objektmi, ktoré sa majú detekovať) a hodnota, pri ktorej je elektrické oko na papieri, je nastavená hodnota (144 4)/2=74, upravte manuálne tlačidlo tak, aby bola nastavená hodnota 74.
- Posuňte medzeru medzi štítkom tam a späť v mieste elektrického oka a červeného „signálu/kontrolky“.
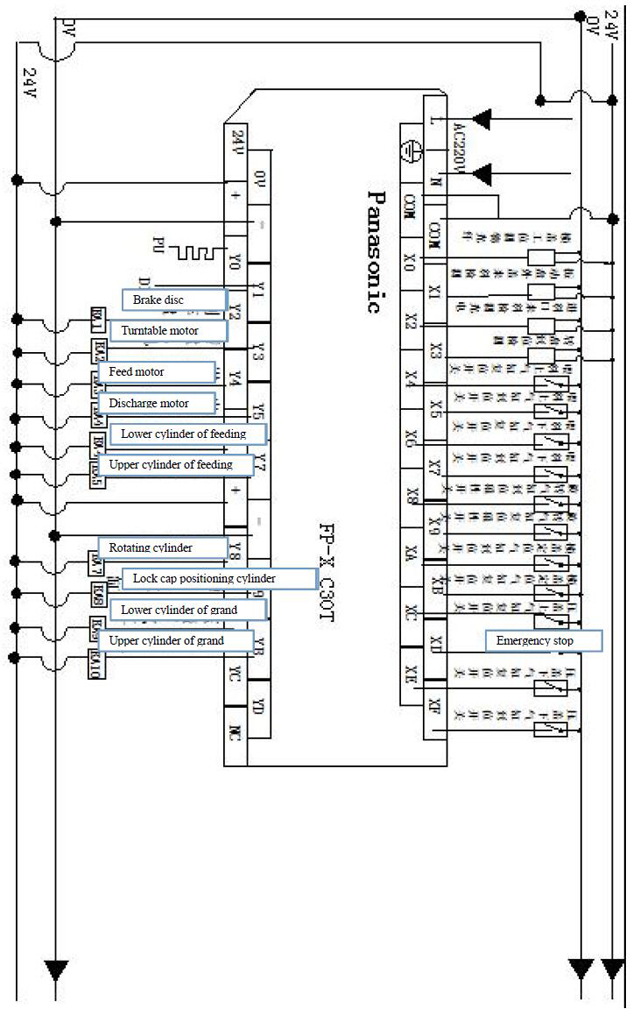
Schéma obvodu



Stroj na uzatváranie fliaš na údržbu

1. Je potrebné kontrolovať a udržiavať stroj, aby sa stroj predĺžil a optimalizovala funkcia stroja;
- Pracovný stroj by sa mal udržiavať každé tri mesiace;
- Ložiská a časť prevodovky musia byť namazané mazivom;
- Mazanie sa musí vykonávať pravidelne;
- Olej na posuvnú dráhu (N68) by sa mal pridávať do dielu, ako je pohyb vratného mechanizmu alebo zdvíhanie dvakrát denne;
- Automobilový olej (N68) by sa mal pridať do rotačných alebo výkyvných častí;
- Každých pol mesiaca pridajte mazivo do drážky vačky;
- Každý mesiac raz pre olejovú trysku pridaním maziva;
2. Nikdy nepoužívajte kovové nástroje na udieranie alebo škrabanie povrchu, kde je lepenie zlepené na častiach, ako sú komponenty alebo plesne.
3. Ak stroj prestane bežať na dlhší čas, pridajte mazivo na mazanie častí, ako je prevodovka alebo ložisková časť; Stroj tiež ošetrujte vodotesnou ochranou.
4. Na stroj nikdy neklaďte žiadne predmety, aby nedošlo k poškodeniu stroja.
5. Pravidelne čistite prach vo vnútri komponentov a tiež kontrolujte všetky skrutky a opravte všetky uvoľnené skrutky.
6. V určitom čase skontrolujte skrutky na svorkách pre zapojenie a uistite sa, že je skrutka upevnená;
7. Skontrolujte, či v natiahnutej kabeláži od elektrických skríň nie je uvoľnená stanica; Ak je súčiastka príliš voľná, zaskrutkujte späť skrutku, aby ste predišli oderu alebo poškodeniu izolačnej vrstvy, čo môže spôsobiť elektrický únik.
8. Skontrolujte ľahko opotrebované náplasti a poškodené včas vymeňte;









